Dolny wąż wodny CFMOTO 800 820 przewód chłodnicy

125,00 

Opis

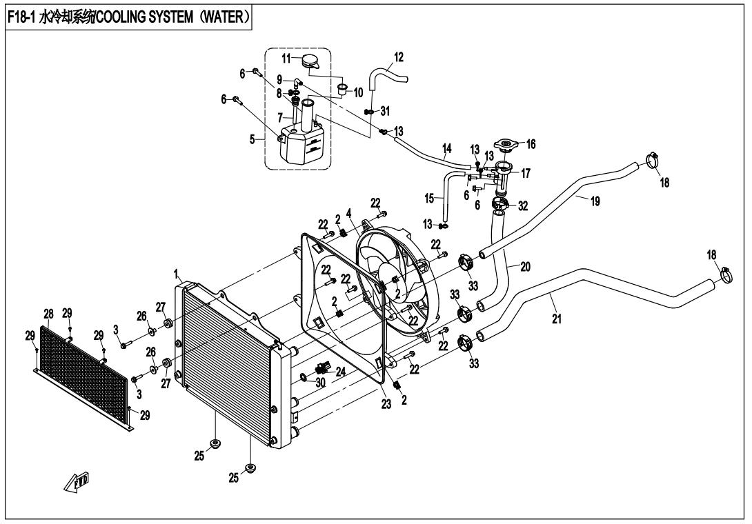
21. NA DIAGRAMIE (DRUGIE ZDJĘCIE)

WATER OUTLET HOSE,RADIATOR
7020-180104